25.58 руб.
Самовывоз по адресу:
г.Минск, ул. Чюрлениса, 26-169
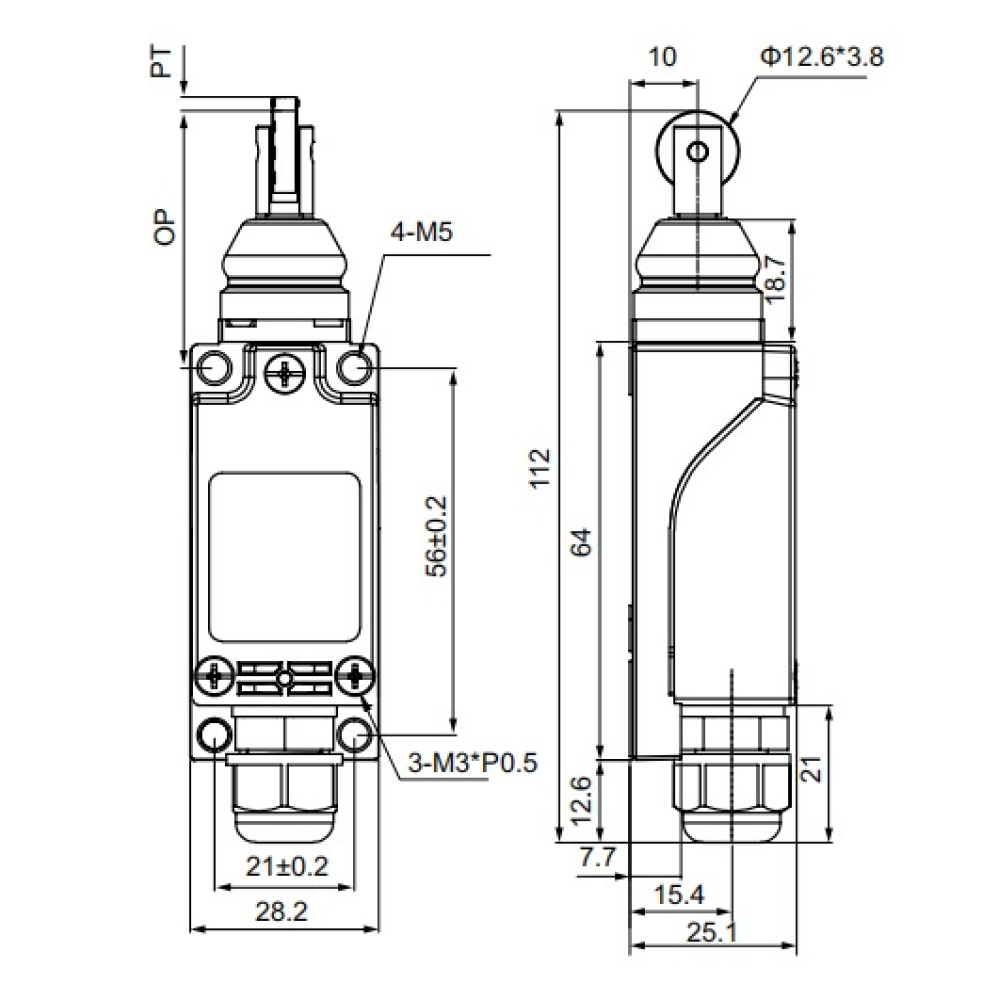
CZ-8112N Концевой выключатель с нажимным металлическим роликом CNTD
◼Двухконтурный тип выключателя
◼Высокая механическая прочность, состоит из пластика и алюминиевого литья
◼Маленький размер, водонепроницаемая и маслонепроницаемая конструкция
◼Встроенный контактный блок имеет двойную пружину и долгий механический срок службы
◼Плавная работа с большим расстоянием сверх хода
◼Различные приводы для разных приложений
◼Оптимизация конструкции хвостовой линии для улучшения герметичности
Номинальное напряжение | Нагрузка без индукции (А) | Нагрузка с индукцией (А) | ||||||
Сопротивление нагрузки | Ламповая нагрузка | Индуктивная нагрузка | Моторная нагрузка | |||||
НО | НЗ | НО | НЗ | НО | НЗ | НО | НЗ | |
125В переменного тока 250В переменного тока | 5 | 5 | 1.5 | 0.7 0.5 | 3 | 3 | 2 | 1 |
8VDC | 5 | 5 | 3 | 3 | 5 | 4 | 3 | 3 |
14VDC | 5 | 5 | 3 | 3 | 4 | 4 | 3 | 3 |
30VDC | 5 | 5 | 3 | 3 | 4 | 4 | 3 | 3 |
125VDC | 0.4 | 0.4 | ||||||
250VDC | 0.2 | 0.2 | ||||||
Ток пуска | N.C: ниже 24A, N.O: ниже 12A | |||||||
ПРИМЕЧАНИЯ: 1. Индуктивная нагрузка имеет коэффициент мощности не менее 0,4 (AC) и постоянную времени не более 7 мс (DC).
2. Нагрузка лампы имеет ток пуска в 10 раз больше постоянного тока, а нагрузка двигателя имеет ток пуска в 6 раз больше постоянного тока.
3. Продукт с пружиной, его рабочий диапазон используемой части находится в пределах трети всей длины пружины от переднего конца пружины.
Скорость работы | 5 мм-0,5 м/с |
Частота работы | Электрический: 30 операций/мин |
Контактное сопротивление | 25 мΩ макс. (начальное значение) |
Изоляционное сопротивление | 100 мΩ мин. (ниже 500 В постоянного тока) |
Диэлектрическая прочность | 1000VAC, 50/60 Гц в течение 1 минуты между выводами одной полярности |
1500VAC, 50/60 Гц в течение 1 минуты между проводящими и непроводящими металлическими частями | |
1500VAC, 50/60 Гц в течение 1 минуты между каждым выводом и землей | |
Вибрация | 10-55 Гц, 1,5 мм двойной амплитуды |
Удар | Механическая прочность: 1,000 м/сек2 (около 100G'S) Неисправность: 300 м/сек2 (около 30G'S) |
Окружающая температура | Использование: -20 ~ +70 ℃ (без обледенения) |
Влажность | <95% относительной влажности |
Электрический ресурс | 500 000 операций и более |
Степень защиты | IP65 |
-
Еще не было вопросов
Доставка "Европочтой"
⚠️ Физическим лицам, при заказе товара в нашем каталоге, возможна доставка "ЕВРОПОЧТОЙ" по РБ!!!
Доставка по г.Минску
⚠️ Бесплатная доставка по г.Минску осуществляется при заказе товара на сумму свыше 250 бел.руб.
При оформлении заказа до 12.00 - доставка возможна в этот же день
Доставка по Республике Беларусь
⚠️ Бесплатная доставка по Республике Беларусь осуществляется при заказе товара на сумму свыше 500 бел.руб.
Доставка осуществляется транспортными компаниями "Автолайт", "DPD" и службой доставки "Европочта"
Дополнительную информацию по условиям и стоимости доставки можно уточнить у наших специалистов по телефону +375 29 176 08 92
